 |
|
|
|
|
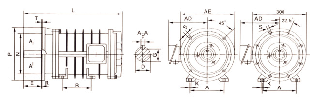
YG系列輥道用三相異步電動機 |
|
|
YG系列輥道用三相異步電動機根據鋼廠的特殊工作需求和工作環境而專門設計制造的專用電動機。電動機具有堵轉矩高,堵轉電流和溫升低的特點,適用于工作環境溫度高、且要求頻繁正反轉的場合。
YG系列輥道用三相異步電動機分別設計成YGA和YGB兩種工作型式,YGA適用于工作輥道,工作制為S5,YGB適用于輸送輥道,工作制為S1。
YG系列輥道用三相異步電動機防護等級為IP54;絕緣等級為F級;接法Y接;無風扇。在調頻控制下,電動機能在5-70HZ頻率范圍內正常工作,但其主要性能指標同樣本規定有所變化。
|
|
|
|
|
|
|
|
|
|
|
|
|
|
|
|
|
|
|
|
|
|
|
|
|
|
|
|
|